Projects

Chain Hoist Trolley Reverse Engineering

Overview

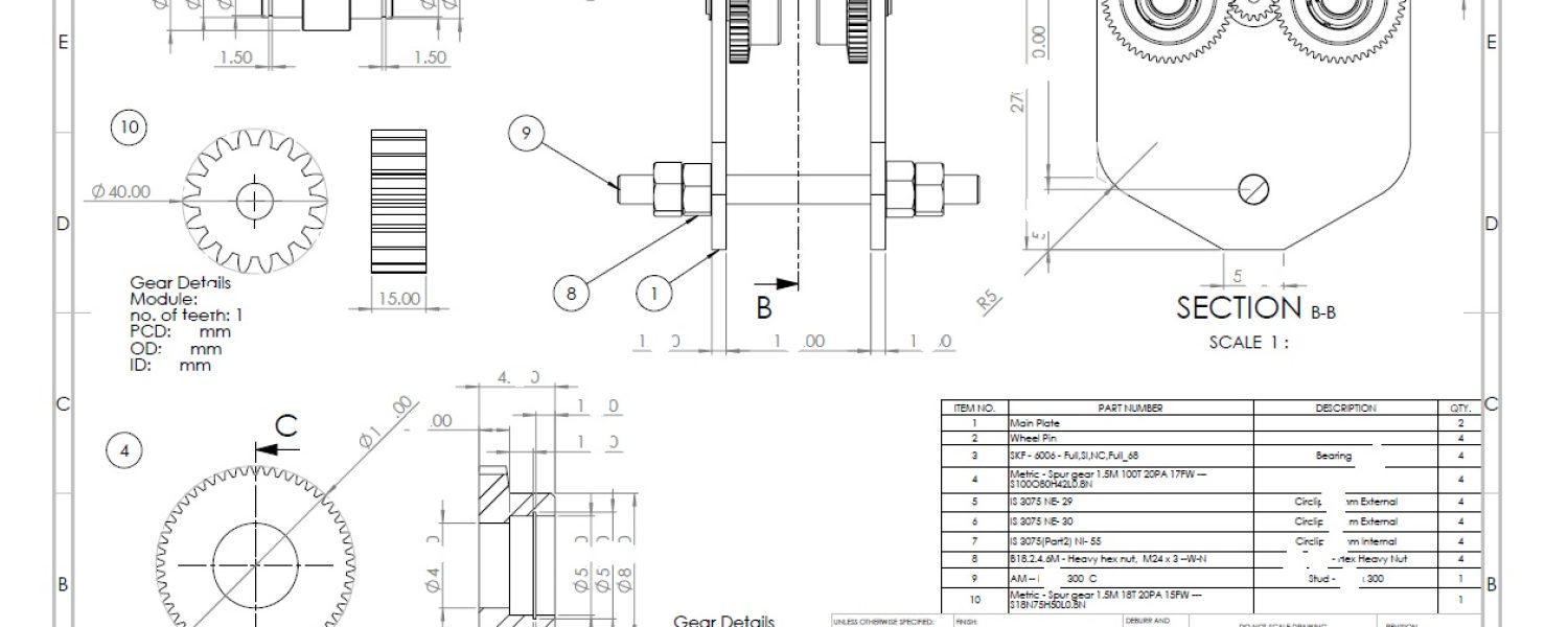
Reverse engineering of an industrial chain hoist trolley assembly to recreate the mechanical system digitally and prepare detailed production documentation. The project focused on accurately capturing the geometry and functional relationships of the assembly.

Engineering Approach

Existing components were analysed and reconstructed through precise CAD modelling. Each part was evaluated to understand dimensional relationships and functional constraints before generating detailed manufacturing drawings.

Engineering Scope

  • Digital reconstruction of mechanical assembly
  • Detailed component modelling
  • Preparation of production drawings
  • Dimensional specification and tolerancing
  • Fabrication-ready documentation

Services Involved

  • 3D CAD Modelling
  • GD&T Implementation
  • Manufacturing Documentation

Let's Discuss Your Engineering Requirement

Share your project scope, constraints, and objectives, and we’ll outline a structured path forward.